產品名稱:PCI-E轉8口RS-485/422高速串口卡
規格型號:UT-798
連接類型:DR62母頭 1個
總線:X1 2.5Gbps PCI Express
RS-422信號:T/R+、T/R-、RXD+、RXD-、GND
RS-485信號:Data+(A) 、Data-(B) 、GND
產品概述:
UT-798工業級PCI-E轉換卡、兼容RS-422、RS-485標準,能夠將單端的PCI-E信號轉換為平衡差分的RS-422/RS-485信號,帶有快速的瞬態電壓抑制保護器,此保護器被設計用來保護RS-422/RS-485接口,采用當今先進的TVS(TRANSIENT VOLTAGE SUPPRESSOR)瞬態電壓抑制器,正常情況下TVS管呈高阻狀態,當TVS管兩端經受瞬間的高能量沖擊時,它能以極高的速度將其兩端的阻抗降低,吸收一個大電流,從而把其兩端的電壓鉗制在一個預定的數值上,保護后面的電路元件不因瞬態高壓沖擊而損壞。此保護器可以有效地抑制閃電(LIGHTNING)和ESD,提供每線600W的雷擊浪涌保護功率,以及各種原因在線路上產生的浪涌電壓和瞬態過壓,并且極小的極間電容保證了RS-422/RS-485接口的高速傳輸。
產品特性:
● 連接類型:DR62母頭 1個
● 總線:X1 2.5Gbps PCI Express
● 信號
RS-422:T/R+、T/R-、RXD+、RXD-、GND
RS-485:Data+(A) Data-(B) GND
● 傳輸速率:300bps-921.6Kbps
● 數據位:5、6、7、8
● 停止位:1、1.5、2
● 校驗位:None、Even、odd、Space、Mark
● 流控制:RTS/CTS XON/XOFF
● 工作溫度:-40℃~85℃
● 接口保護:RS-422、RS-485接口每線600W的浪涌保護、±15K V靜電 保護
● 傳輸距離:RS-485/422通信距離可達1.2Km
● 支持系統:Win2000/XP/Vista/Win7/8/8.1/10/NT4.0/CE 4.2/5.0/6.0/Vxworks/Linux 2.4.x/2.6.x
訂購信息:
| 型號 | UT-798 | |
| 信號/接口 | PCI-E | Universai |
| RS-485/422 | √ | |
| 商品數量 | PCI-E | 1 |
| RS-485/422 | 8 | |
| 接口保護等級 | RS-485/422 | ±15KV ESD |
| 通訊速率 | 300bps-921.6kbps | |
| 使用環境 | 溫度 | -40℃ ~85℃ |
| 濕度 | 5-95% | |
| 電源 | 無源 | |
備注:以上產品配件為轉換線端子。
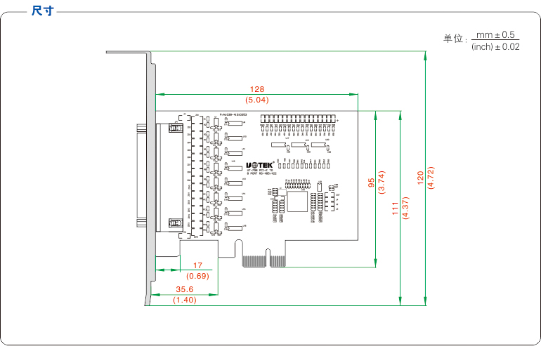
產品尺寸:

連接器和信號:

400-1144-149